alert icon
Internet Explorer 8 iwird nicht auf dieser Website unterstützt. Bitte verwenden Sie einen aktuelleren Browser.
Nachricht ausblenden hide icon
Swagelok Hamburg

Ihr autorisiertes Swagelok Vertriebs- und Servicezentrum

Orbitalschweißgerät

Orbitalschweissmaschine von Swagelok Hamburg

Orbitalschweißgerät „M200“

Saubere und sichere Schweißungen von Rohren erreichen Sie am einfachsten mit einem Orbitalschweißgerät. Mithilfe des Lichtbogens kann so eine 360° Schweißung vorgenommen werden. Diese Technik bieten wir Ihnen mit der Orbitalschweißmaschine M200 von Swagelok. Wir beraten Sie gerne beim Kauf oder nutzen Sie die verfügbare Verleih-Option und leihen Sie solange Sie das Gerät benötigen.

Ihre Vorteile:

  • Hochwertige Schweißungen
  • Schnell und effizient
  • Einfache Handhabung
  • Hohe Wiederhol-Genauigkeit
  • Kompakte Bauform, geringes Gewicht (23 kg Steuereinheit)
  • sehr variabel einsetzbar
  • Schweißköpfe für Rohre von 3 mm bis 114,3 mm

Sollten Sie im Umgang mit der Orbitalschweißmaschine nicht 100% sicher sein, legen wir Ihnen unsere Schulungen für Orbitalschweißen ans Herz. Dabei wird unterschieden zwischen einer Ganztagsschulung für Orbitalschweißen mit theoretischer Wissensvermittlung und praktischer Anwendung sowie einem Informationsseminar, um Ihnen die vielfältigen Möglichkeiten zu verdeutlichen.

Schweißköpfe

Schweißkopf für Orbitalschweißmaschine

SWAGELOK® MICRO-SCHWEISSKOPF SERIE „4M“

  • Einfache Handhabung
  • Kompakte Bauform
  • Kabellänge: 4,6 m
  • Mindest-Spannlänge: 6,35 mm
  • Metrische Spannbacken verfügbar für 3 mm, 6 mm
  • Zöllige Spannbacken verfügbar für 1/8“, ¼“

Zubehör:

  • Fixierblock Serie „4M“
Fixierblock Serie 4M

SERIE „5“ SCHWEISSKOPF

Swagelok Schweißkopf der Serie 5
  • Einfache Handhabung
  • Kompakte Bauform
  • Kabellänge: 4,6 m
  • Mindest-Spannlänge: 19 mm
  • Metrische Spannbacken verfügbar für 3 mm, 4 mm, 6 mm, 8 mm, 10 mm, 12 mm, 15 mm, 16 mm
  • Zöllige Spannbacken verfügbar für 1/8“, 3/16“, ¼“, 5/16“, 3/8“, ½“, 5/8“

Zubehör:

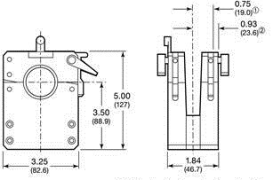
  • Fixierblock Serie „5“
Skizze des Fixierblocks der Serie „5“
  • Fixierblock Serie „5“ für Microfittinge
Fixierblock Serie „5“ für Microfittinge
  • Fixierblock Seitenteil ¼“ VCR-Kurzstutzen
Fixierblock Seitenteil ¼ Zoll

SERIE „10“ SCHWEISSKOPF

Schweißkopf Serie 10 von Swagelok Hamburg
  • Einfache Handhabung
  • Kompakte Bauform
  • Kabellänge: 4,6 m
  • Mindest-Spannlänge: 23,6 mm
  • Metrische Spannbacken verfügbar für 6 mm, 8 mm, 10 mm, 12 mm, 15 mm, 16 mm, 18 mm, 20 mm, 22 mm, 23 mm, 25 mm, 28 mm
  • Zöllige Spannbacken verfügbar für ¼“, 5/16“, 3/8“, ½“, 5/8“, ¾“, 7/8“, 1“, 1 1/8“

Zubehör:

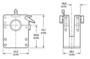
  • Fixierblock Serie „10“
Schematische Darstellung des Fixierblocks Serie 10

SERIE „20“ SCHWEISSKOPF

Schweißkopf Serie 20 von Swagelok
  • Einfache Handhabung
  • Kompakte Bauform
  • Kabellänge: 4,6 m
  • Mindest-Spannlänge: 36,8 mm
  • Metrische Spannbacken verfügbar für 12 mm, 15 mm, 16 mm, 18 mm, 20 mm, 22 mm, 23 mm, 25 mm, 28 mm, 35 mm, 52 mm, 54 mm 10,2 mm, 13,5 mm, 17,2 mm, 21,3 mm, 26,9 mm, 33,7 mm
  • Zöllige Spannbacken verfügbar für ½“, 5/8“, ¾“, 7/8“, 1“, 1 ¼“, 1 ½“, 2“

Zubehör:

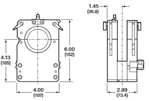
  • Fixierblock Serie „20“
    Mindest-Spannlänge: 36,8 mm
Fixierblock Serie „20“ für Schweißkopf

 

  • Fixierblock Serie „20“
    Mindest-Spannlänge: 20 mm
Seitliche Darstellung Fixierblock Serie 20


SWAGELOK Tube Facer „TF16C“ mit Akkubetrieb

Rohrplanwerkzeug von Swagelok Hamburg

Zur exakten Vorbereitung der Rohrenden zum Orbitalschweißen

  • Mindest-Spannlänge: 11,4 mm
  • Metrische und zöllige Spannbacken verfügbar für 3 mm bis 25 mm und 1/8“ bis 1“


SWAGELOK Tube Facer „TF24C“ mit Akkubetrieb

Zur exakten Vorbereitung der Rohrenden zum Orbitalschweißen

  • Mindest-Spannlänge: 11,4 mm
  • Metrische und zöllige Spannbacken verfügbar für 3 mm bis 38 mm und 1/8“ bis 1 ½“